Chia Sẻ FULL Đồ Án Hệ Thống Đèn Giao Thông

Download Tài Liệu: Tại đây
Nếu bạn chưa biết xuất File mạch in thì có thể tham khảo: Tạiđây
Bạn Có File Tài Liệu - Hãy Share Cho Chúng Tôi: linhkienfpt.share@gmail.com
Thank You!!!!!
Trong Tài Liệu này chúng tôi sẽ giới thiệu về Ứng dụng của Vi Điều Khiển AT89S52.
Bây giờ chúng tôi sẽ tóm tắt qua về thông số kĩ thuật của VĐK AT89S52
IC MCU 8BIT 8KB FLASH 40DIP
8051 89S Microcontroller IC 8-Bit 24MHz 8KB (8K x 8) FLASH 40-PDIP
Thông số kỹ thuật:
| Part Status | Active |
|---|---|
| Core Processor | 8051 |
| Core Size | 8-Bit |
| Speed | 24MHz |
| Connectivity | UART/USART |
| Peripherals | WDT |
| Number of I/O | 32 |
| Program Memory Size | 8KB (8K x 8) |
| Program Memory Type | FLASH |
| EEPROM Size | - |
| RAM Size | 256 x 8 |
| Voltage - Supply (Vcc/Vdd) | 4 V ~ 5.5 V |
| Data Converters | - |
| Oscillator Type | Internal |
| Operating Temperature | -40°C ~ 85°C (TA) |
| Package / Case | 40-DIP (0.600", 15.24mm) |
| Supplier Device Package | 40-PDIP |
Các bạn có thể xem chi tiết DATASHEET: Tại Đây
Linh Kiện Cần Chuẩn Bị Cho Đồ Án Hệ Thống Đèn Giao Thông
- Vi điều khiển AT89S52
- Trở Băng 10K
- Trở cắm 330 ôm
- Trở cắm 1K
- Tranzito A1015
- Thạch anh 12Mhz
- Tụ gốm 33P
- LED Xanh Lá - Đỏ - Vàng
- Trở Cắm 10k
- Nút Nhấn 6x6x5
- Jack DC 5.5
- LED 7 Thanh 2 Số Anot 0.56
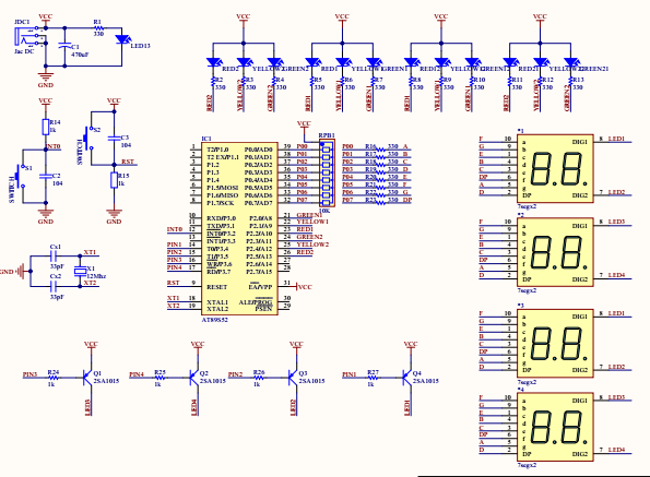
Sơ Đồ Nguyên Lí Đồ Án Hệ Thống Đèn Giao Thông
Nếu bạn chưa biết xuất File mạch in thì có thể tham khảo: Tạiđây


Cửa hàng linh kiện điện tử FPT chuyên cũng cấp linh phụ kiện điện tử, mạch khuếch đại âm thanh, dụng cụ cầm tay, dụng cụ cơ khí.... Bán linh kiện, Mua linh kiện
Là cửa hàng linh kiện điện tử tại Hà Nội cung cấp nhiều mặt hàng đa dạng phục vụ nhu cầu tìm kiếm của quý khách. Ship cod toàn quốc.
Mọi chi tiết xin liên hệ : Linh kiện FPT
SĐT&Zalo : 090.755.1135
Hotline : 088.688.1135
Địa chỉ : Số 6 Tương Mai, Hoàng Mai, Hà Nội
Thanks and Best regards