DIY Mạch Nháy Nhạc Dùng AN6884

Chuẩn bị:
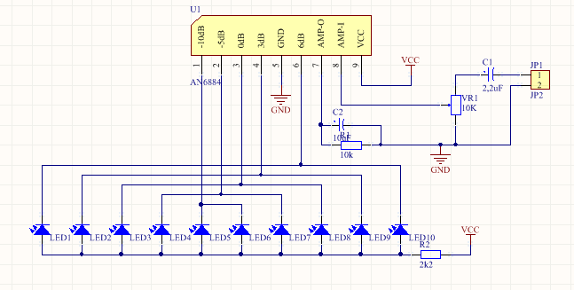
– 1 IC AN6884
– 1 biến trở tam giác 10k
– 1 Tụ hóa 10uF-25v
– 1 Tụ hóa 2,2uF-50v
– 1 Trở 10k-1/4w
– 1 Trở 2k2-1/4w
– 10 Led đỏ đục phi 5
– 2 Header 2P đực thẳng
( Ngoài ra các bạn nên chuẩn bị thêm nguồn 9v-DC, các dụng cụ làm mạch in như:bàn là,khoan,phíp đồng,bột sắt,giấy in nhiệt,…)
Download Tài Liệu: Tại đây
Bạn Có File Tài Liệu - Hãy Share Cho Chúng Tôi: linhkienfpt.share@gmail.com
Thank You!!!!!
Sơ Đồ Nguyên Lí

Mô phỏng 3D và mạch in:


Cửa hàng linh kiện điện tử FPT chuyên cũng cấp linh phụ kiện điện tử, mạch khuếch đại âm thanh, dụng cụ cầm tay, dụng cụ cơ khí.... Bán linh kiện, Mua linh kiện
Là cửa hàng linh kiện điện tử tại Hà Nội cung cấp nhiều mặt hàng đa dạng phục vụ nhu cầu tìm kiếm của quý khách. Ship cod toàn quốc.
Mọi chi tiết xin liên hệ : Linh kiện FPT
SĐT&Zalo : 090.755.1135
Hotline : 088.688.1135
Địa chỉ : Số 6 Tương Mai, Hoàng Mai, Hà Nội
Thanks and Best regards